1. 概述
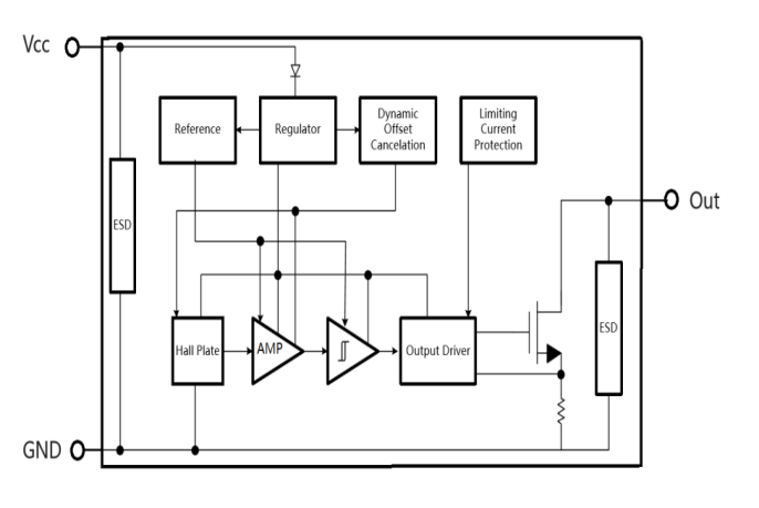
ES245G是一款基于BCD工艺的全极型霍尔效应传感器,这款IC采用了先进的斩稳定技术,因而能够提供准确而稳定的磁开关点。
ES245G的输出晶体管在面向封装标示的一面存在一定强南极或北极磁场时会被锁定在开(BOP)状态,而在无磁场时锁定在关(BRP)状态。

|
2. 特点 工作电压范围3.5-24V 高耐压 42V 电压反向保护 全极性的输出开关 开漏输出 高灵敏度直接簧片开关的替代应用 |
3. 应用 固态开关 速度检测 断续器 低占空比特带簧片开关的磁传感器
|
|
4、封装形式
|
5、资料下载
|