1、描述
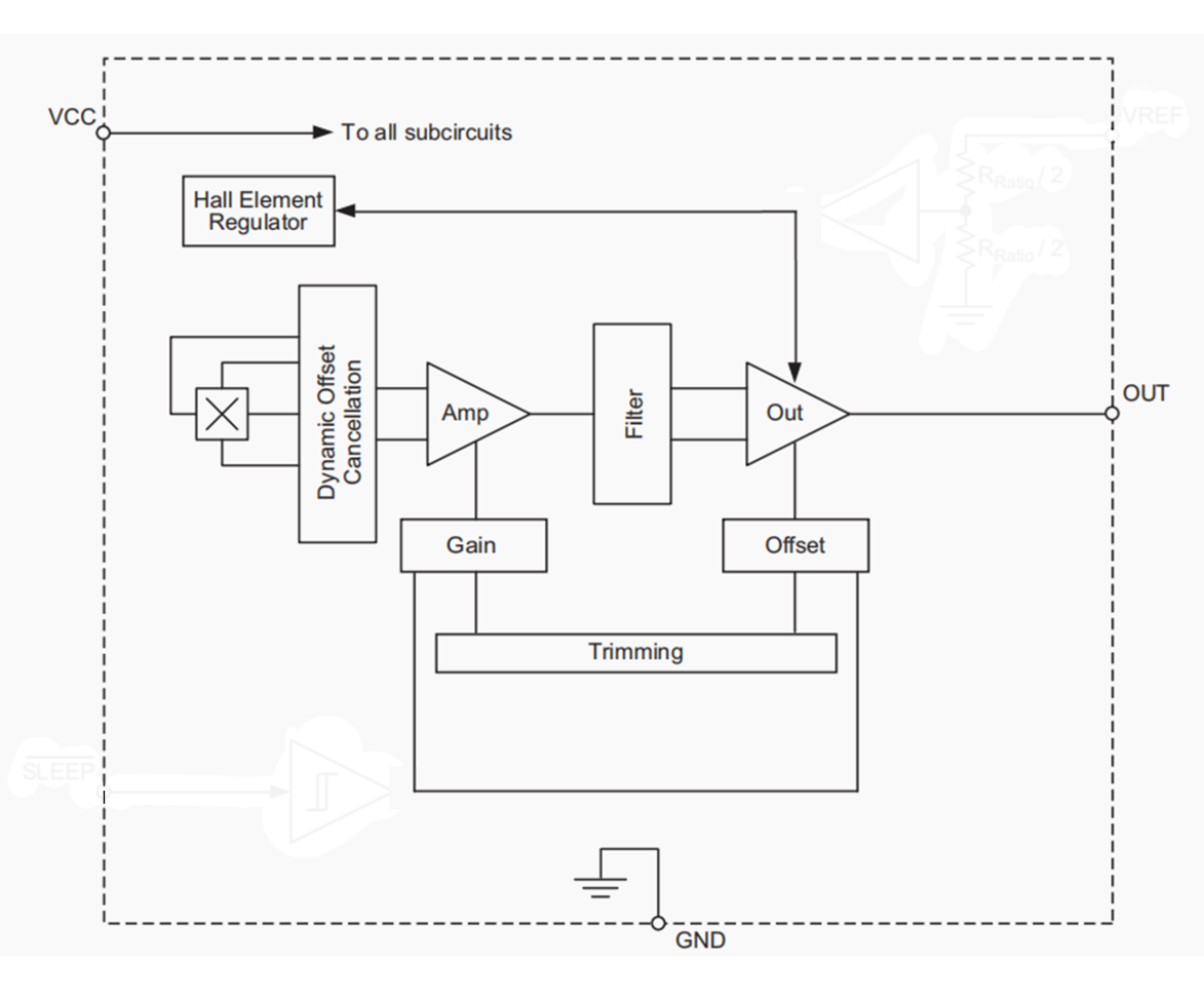
ES9101是一款线性霍尔效应传感器集成电路(IC),提供与外加磁场成正比的电压输出,典型霍尔效应灵敏度(单位为mV/G)与流经芯片内部霍尔元件的电流成正比。在许多应用中,霍尔效应传感器很难在不消耗超过2 mA电流的情况下达到足够的灵敏度水平。ES9101具有功耗低的特性,这使得这款芯片非常适合电池供电的应用,如手机、数码相机和便携式工具。高阻抗输出特性允许将多个ES9101霍尔效应器件连接到单个a - d转换器输入。ES9101的静态输出电压是电源参考电压的50%标称值。尽管ES9101中的电路功耗低,但产生高精度线性霍尔效应所需的功能并未受到损害。ES9101内部电路集成了一个霍尔元件,改进的温度补偿电路,以减少霍尔元件的固有灵敏度漂移,一个小信号高增益放大器和专有的动态失调抵消电路。
ES9101采用DFNWB16*16-6L封装形式,100%哑光锡引线框电镀。

|
2、特性 工作电压:2.5 ~ 5.5 V 低功耗:3.3V下工作电流小于1.5mA 超薄封装:DFN16*16-6L 温度稳定的静态输出电压和灵敏度 环境温度范围:-20℃~ 125℃ ESD保护大于4kv |
|
|
4、封装形式
|
5、资料下载
|